Основные характеристики
Артикул
PA-VELLO-WN3M18-10
Материал
Алюминий
Описание
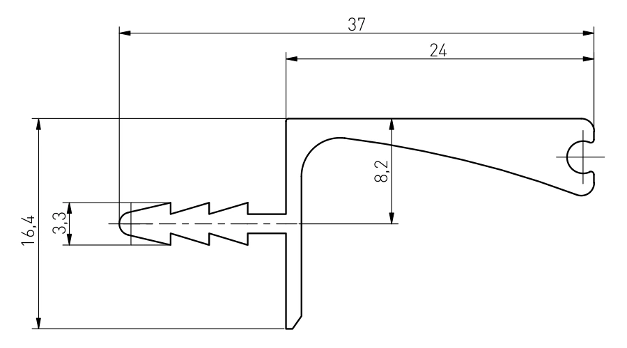
Профиль VELLO торцевой , для плиты 18мм, длинной 3000мм - современная система обустройства интерьера, позволяющая создать кухонный гарнитур без традиционных мебельных ручек. В наши дни дизайн без ручек очень популярен, поскольку он придает кухне современный и элегантный вид.
VELLO позволяет открывать и закрывать шкафы, ящики и другие кухонные элементы с помощью скрытых профилей, которые незаметны и не нарушают минималистичный вид пространства.
Комплектация
- Конструкция профиля позволяет установить резиновый уплотнитель диаметром 2.5 мм для мягкого соприкосновения с фасадом (приобретается отдельно).
Файлы
Профиль VELLO торцевой для плиты 18мм, белый
Артикул: PA-VELLO-WN3M18-10
Код: 021049
Наличие в магазине:
Гродно, ул. Карского, 2а
В наличии
г. Минск, ул. Каменногорская, 45
В наличии
55,16 / шт
Основные характеристики
Артикул
PA-VELLO-WN3M18-10
Материал
Алюминий